当前位置: 首页 > 政务公开 > 法定主动公开内容 > 通知公告

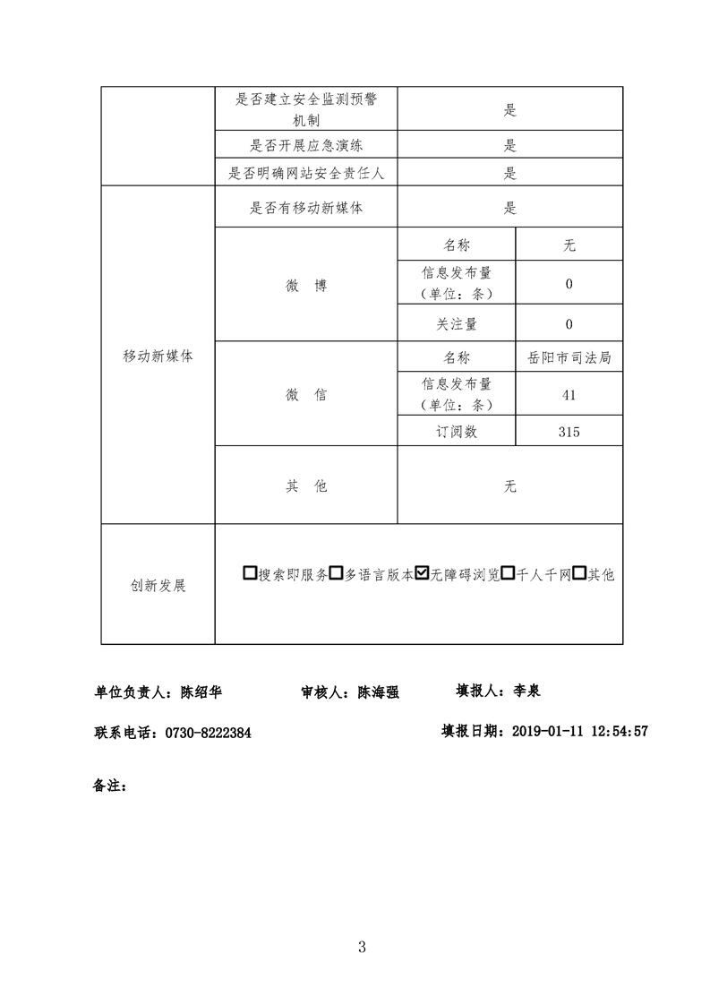
岳阳市司法局2018年政府网站工作年度报表

来源:岳阳市司法局 发布时间:2019-01-11 12:59