当前位置:
首页
>
办事服务
>
服务对象
>
残疾人
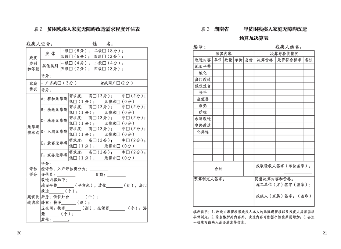
湖南省贫困残疾人家庭无障碍改造指南
来源:市残联 发布时间:2018-06-21 15:30 浏览次数:
1
次