当前位置: 当前位置: 首页 > 政务公开 > 法定主动公开内容 > 通知公告

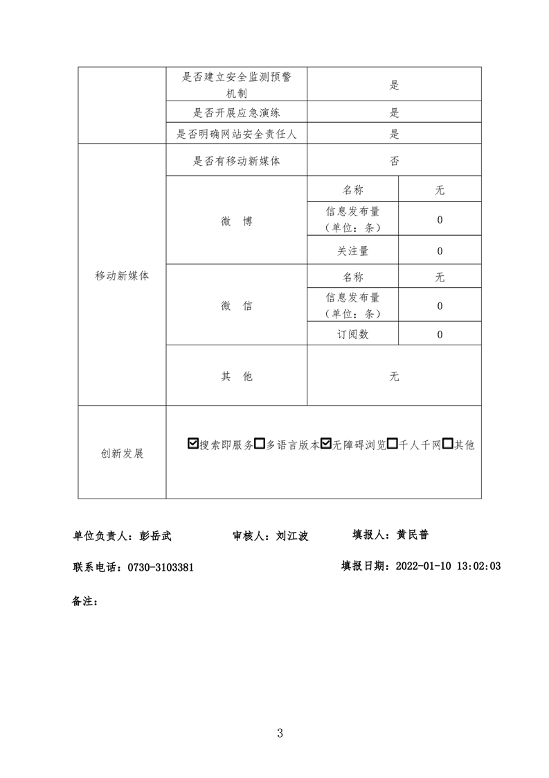
市供销合作联社政府网站工作2021年度报表

编稿时间:2022-01-10 01:38 来源:市供销社