您现在的位置:
首页
>
政府信息公开
>
法定主动公开内容
>
通知公告
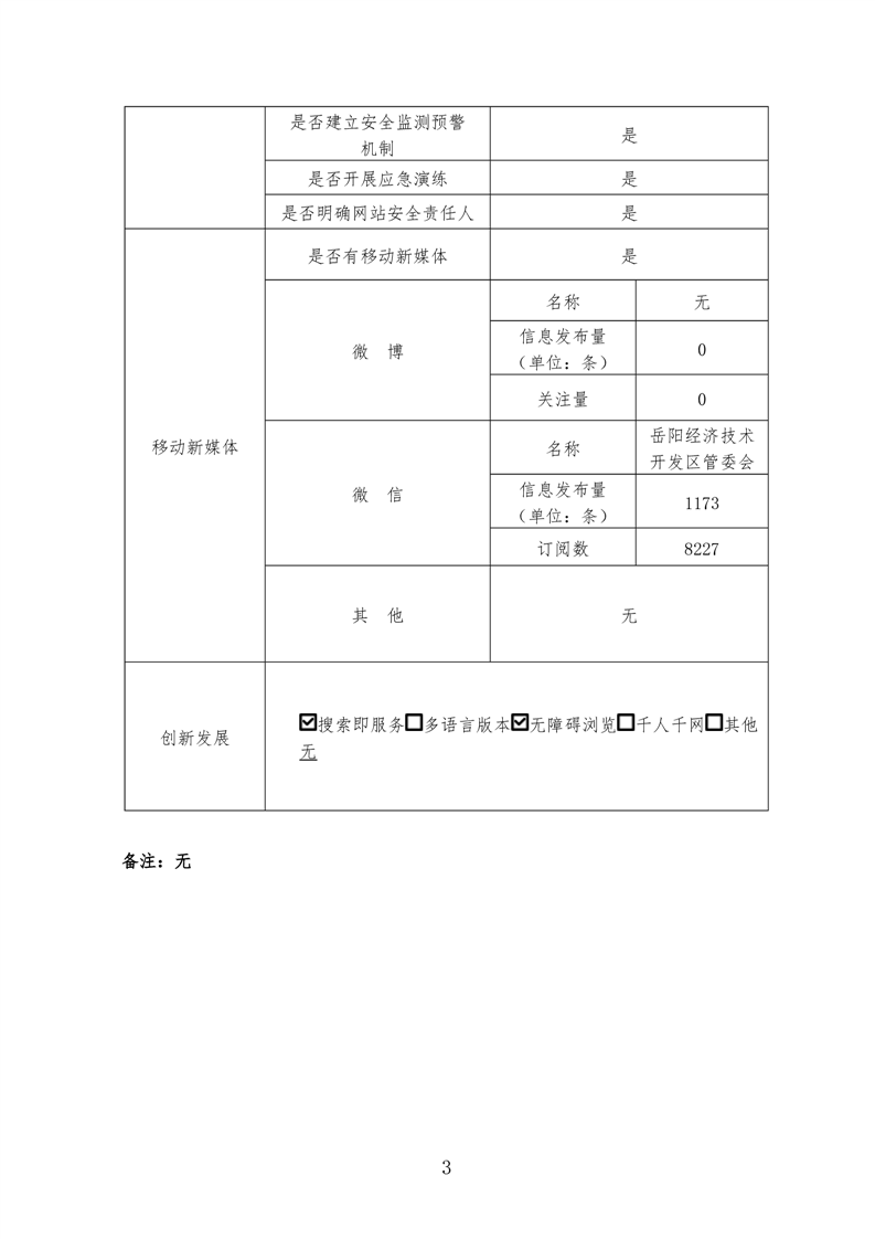
岳阳经济技术开发区2023年度政府网站工作年度报表
来源:岳阳经济技术开发区
日期:2024-01-12
浏览量:
1
|
|
|
|